發布日期2017.10.18 ?|
作者:
來源:
Albin軟管泵ALH系列:ALH05 / ALH10 / ALH15 / ALH20、ALH25 / ALH32 / ALH40 (CIP)、ALHX40 / ALH50 / ALH65 / ALHX80、ALH80 / ALH100 / ALH125、ALX150,壓力高達15bar,主要用于水處理,礦物加工工程,食品行業,化工行業等等。
Albin軟管泵 ALH系列型號
Albin ALH05 軟管泵、Albin ALH10 軟管泵、Albin ALH15 軟管泵、Albin ALH20 軟管泵
Albin軟管泵-高壓-Albin Hose pump
1 to760 l/h - up to 8 bar
Albin泵,ALH系列軟管泵,壓力高達15bar,主要用于水處理,礦物加工工程,食品行業,化工行業等等。

| 流量: | 1 - 760 l/h |
| 出口壓力: | 高達 10 bar |
| Max自吸: | 9.5 m |
| 進出口: | 軟管接頭SS, PP, PVDF |
| Ø16 - 25 mm | |
| 軟管材質: | 增強聚酰胺 |
| NR/EPDM/NBR/VITON HYPALON/NR Food/NBR Food | |
| 泵體和轉輪: | GS400烙鐵 |
| 電機性能: | 電機IE2 |
| 0.12 - 0.55 Kw | |
| 可選項: | 壓力感應器,防爆 |
| 變速器, 泵頭朝向 |

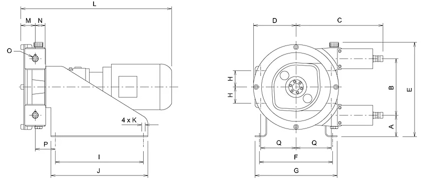
| TYPE | A | B | C | D | E | F | G | H | I | J | K | L | M | N | O | P | Q | |
| ALH 05 | 103,5 | 115 | 225,5 | 95 | 271 | 220 | 240 | 33,5 | 260 | 280 | 4xø9 | - | 43,5 | 34,5 | ø16 * | 64,5 | 81,25 | |
| ALH 10 | 103,5 | 115 | 225,5 | 95 | 271 | 220 | 240 | 33,5 | 260 | 280 | 4xø9 | - | 43,5 | 34,5 | ø16 * | 64,5 | 81,25 | |
| ALH 15 | 73 | 193 | 296 | 145 | 322 | 250 | 280 | 51,5 | 300 | 330 | 4xø13 | - | 49 | 35,5 | ø20 * | 70,5 | 124,75 | |
| ALH 20 | 73 | 193 | 296 | 145 | 322 | 250 | 280 | 51,5 | 300 | 330 | 4xø13 | - | 49 | 35,5 | ø20 * | 70,5 | 124,75 | |
Albin軟管泵 ALH系列型號
Albin ALH25軟管泵、Albin ALH32軟管泵、Albin ALH40軟管泵
Albin軟管泵-高壓-Albin Hose pump
0,2 to 5 m³/h - up to 15 bar
Albin泵,ALH系列軟管泵,壓力高達15bar,主要用于水處理,礦物加工工程,食品行業,化工行業等等。

| 流量: | 0.2 - 5 m³/h |
| 出口壓力: | 高達 15 bar |
| Max自吸: | 9.5 m |
| 進出口: | 316L 不銹鋼法蘭連接 |
| ISO DN 25- 40 | |
| 軟管材質: | 增強聚酰胺 |
| NR/EPDM/NBR/VITON | |
| HYPALON/NR Food/NBR Food | |
| 泵體和轉輪: | GS400烙鐵 |
| 電機性能: | 電機 IE2 |
| 1.1 - 2.2 Kw | |
| 可選項: | 壓力感應器,防爆 |
| 變速器, 泵頭朝向 |

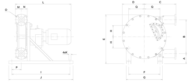
| TYPE | A | B | C | D | E | F | G | H | I | J | K | L | M | N | O | P | Q | |
| ALH 25 | 95 | 262 | 312 | 190 | 416 | 312 | 352 | 110 | 560 | 600 | 4xø13 | - | 65 | 69 | DN25 PN16 | 69 | 110 | |
| ALH 32 | 122,5 | 330 | 435,5 | 238 | 525,5 | 426 | 476 | 157,75 | 770 | 810 | 4xø13 | - | 83 | 89 | DN32 PN16 | 91 | 157,75 | |
| ALH 40 | 122,5 | 330 | 435,5 | 238 | 525,5 | 426 | 476 | 157,75 | 770 | 810 | 4xø13 | - | 83 | 89 | DN40 PN16 | 91 | 157,75 | |
Albin軟管泵 ALH系列型號
Albin ALHX40 軟管泵、Albin ALH50 軟管泵、Albin ALH65 軟管泵、Albin ALHX80 軟管泵
Albin軟管泵-高壓-Albin Hose pump
0.8 to 22m³/h - up to 15 bar
Albin泵,ALH系列軟管泵,壓力高達15bar,主要用于水處理,礦物加工工程,食品行業,化工行業等等。

| 流量: | 0.8 -22 m³/h |
| 出口壓力: | 高達15 bar |
| Max自吸: | 9.5 m |
| 進出口: | 316L 不銹鋼法蘭連接 |
| ISO DN 40 - 80 | |
| 軟管: | 增強聚酰胺 |
| NR/EPDM/NBR/VITON | |
| HYPALON/NR Food/NBR Food | |
| 泵體和轉盤: | GS400烙鐵 |
| 電機性能: | 電機 IE2 - IE3 |
| 2.2 - 15 Kw | |
| 可選項: | 壓力感應器,防爆 |
| 變速器, 泵頭朝向 |

| TYPE | A | B | C | D | E | F | G | H | I | J | K | L | M | N | O | P | Q | |
| ALHX 40 | 110 | 430 | 400 | 291 | 616 | 340 | 420 | 170 | 850 | 950 | 4xø19 | - | 73 | 88 | DN40 PN16 | 87 | 170 | |
| ALH 50 | 164,5 | 554 | 517,5 | 360 | 801,5 | 513 | 593 | 186 | 950 | 1050 | 4xø19 | 97,5 | 102 | DN50 PN16 | 162 | 256,5 | ||
| ALH 65 | 164,5 | 554 | 517,5 | 360 | 801,5 | 513 | 593 | 186 | 950 | 1050 | 4xø19 | 97,5 | 102 | DN65 PN16 | 162 | 256,5 | ||
| ALHX 80 | 158 | 746 | 604 | 473 | 1004 | 580 | 680 | 290 | 1150 | 1250 | 4xø19 | - | 129 | 133 | DN80 PN16 | 167 | 290 | |
Albin軟管泵 ALH系列型號
Albin ALH 80 軟管泵、Albin ALH 100 軟管泵、Albin ALH 125 軟管泵
Albin軟管泵-高壓-Albin Hose pump
7 to 70 m³/h - up to 15 bar
Albin泵,ALH系列軟管泵,壓力高達15bar,主要用于水處理,礦物加工工程,食品行業,化工行業等等。

| 流量: | 7 - 70 m³/h |
| 出口壓力: | 高達15 bar |
| Max自吸: | 9.5 mCe |
| 進出口: | Flanges INOX 316L ISO |
| DN 80 - 125 | |
| 軟管: | 增強聚酰胺 |
| NR/EPDM/NBR/VITON | |
| HYPALON/NR Food/NBR Food | |
| 泵體和轉盤: | GS400烙鐵 |
| 電機性能: | 電機 IE2 - IE3 |
| 11 - 37 Kw | |
| 可選項: | 壓力感應器,防爆 |
| 變速器, 泵頭朝向 |

| TYPE | A | B | C | D | E | F | G | H | I | J | K | L | M | N | O | P | Q |
| ALH 80 | 262 | 876 | 803 | 555 | 1320 | 690 | 830 | 345 | 1300 | 1400 | 4xø27 | - | 140,5 | 145 | DN80 PN16 | 210 | 345 |
| ALH100 | 300 | 1040 | 887 | 685 | 1680 | 820 | 960 | 410 | 1900 | 2000 | 4 x 27 | - | 170 | 174 | DN100 PN16 | 295 | 410 |
| ALH 125 | 263,5 | 1273 | 1038 | 785 | 1750 | 1000 | 1140 | 500 | 1900 | 2000 | 4xø27 | - | 300 | 232 | DN125 PN16 | 660 | 500 |
Albin軟管泵 ALX系列型號
Albin 軟管泵 ALX150
Albin軟管泵-高壓-Albin Hose pump
5 至 150 m³/h – 高壓高達 7.5 bar
Albin ALX150 軟管泵,壓力高達7.5bar,主要用于水處理,礦物加工工程,食品行業,化工行業等等。

| 流量: | 35 - 150 m³/h |
| 出口壓力: | 高達 7.5 bar |
| Max自吸: | 9.5 mCe |
| 進出口: | 316L不銹鋼法蘭連接 ISO |
| ISO DN 150 | |
| 軟管: | 增強聚酰胺 |
| NR/EPDM/NBR/VITON | |
| HYPALON/NR Food/NBR Food | |
| 泵體和轉輪: | GS400烙鐵 |
| 電機性能: | 帶減速器電機 IE2 - IE3 |
| 22 - 45 Kw | |
| 可選項: | |
